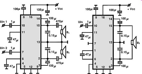
| Amplificador áudio com TEA2025B |
O TEA2025B ou UTC2025 é facilmente encontrado nas placas de som antigas e
constitui uma boa e económica solução para a construção de um mini amplificador.
Algumas das suas características são:
| VCC | Potência | Carga |
| 3V | 2x0.1W | 4ohm |
| 6V | 2x1W | 4ohm |
| 9V | 2x2-3W | 4ohm |

|
|
||
|
|
||
Os artigos são da responsabilidade de quem os escreveu. Os restantes conteúdos de - © Radioamadores.net |
||
| Página "Amplificador de áudio com TEA2025B" actualizada em: 14-03-2012 | ||
| | Home Page | | ||